Chucks DPC - Dynamic Performance
DPC25-HSS-C8-A=100

DPC25-HSS-C8-A=100
DPC25-HSS-C8-A=100
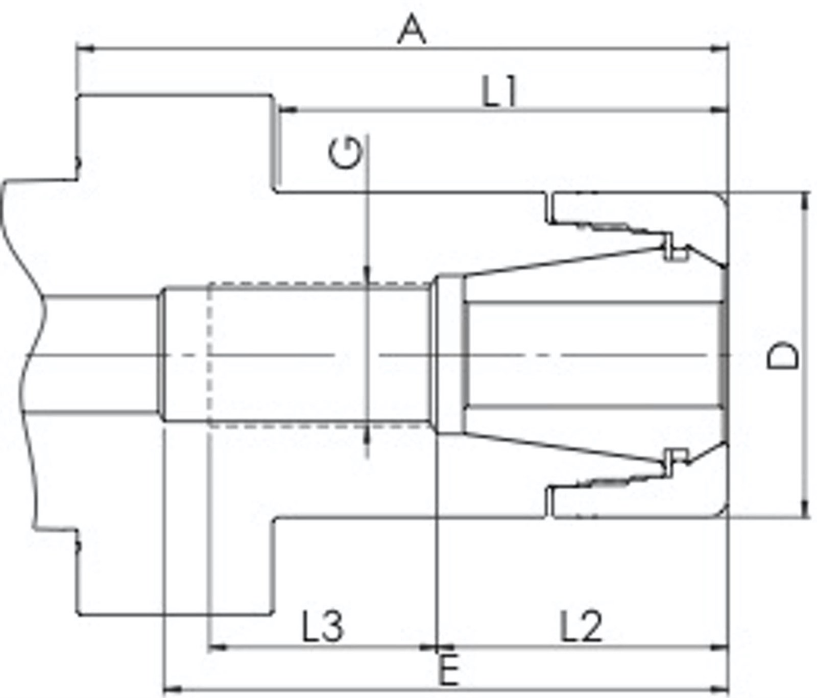
A100 mm
D = Wrench Ø40 mm
E90 mm
L167 mm
L243 mm
L330 mm
GM18x1,5
   

Note: May include deviations

Chucks DPC - Dynamic Performance
DPC25-HSS-C8-A=100

  • 62885301006
  • good damping
  • high holding force
  • high runout accuracy
  • rigid
  • universal

Quantity:

Availability:

Prices plus VAT plus shipping costs

After you have logged in, the shopping cart function appears here.
Multifunctional precision chuck, especially for finishing and HDC milling Cylindrical design... more
  • Multifunctional precision chuck, especially for finishing and HDC milling
  • Cylindrical design for less interference contours

Chuck body and clamping nut separately balanced G2,5 at 25.000 1/min or U ≤ 1 gmm

HSS clamping nut with 0,4 mm clamping bridging. Concentricity of ≤ 10 μm with GERC-B collets. Not suitable for sealed collets.

Interface: PSC
Size: 80
Length: 100 - 160 mm
Type: ER
clamping range: ER25 - 1-16 mm

TECHNICAL DATA

DPC25-HSS-C8-A=100
A100 mm
D = Wrench Ø40 mm
E90 mm
L167 mm
L243 mm
L330 mm
GM18x1,5

TECHNICAL DATA

DPC25-HSS-C8-A=100
A100 mm
D = Wrench Ø40 mm
E90 mm
L167 mm
L243 mm
L330 mm
GM18x1,5