Chucks DPC - Dynamic Performance
DPC25-HSS-HSK-E50-A=70

DPC25-HSS-HSK-E50-A=70
DPC25-HSS-HSK-E50-A=70
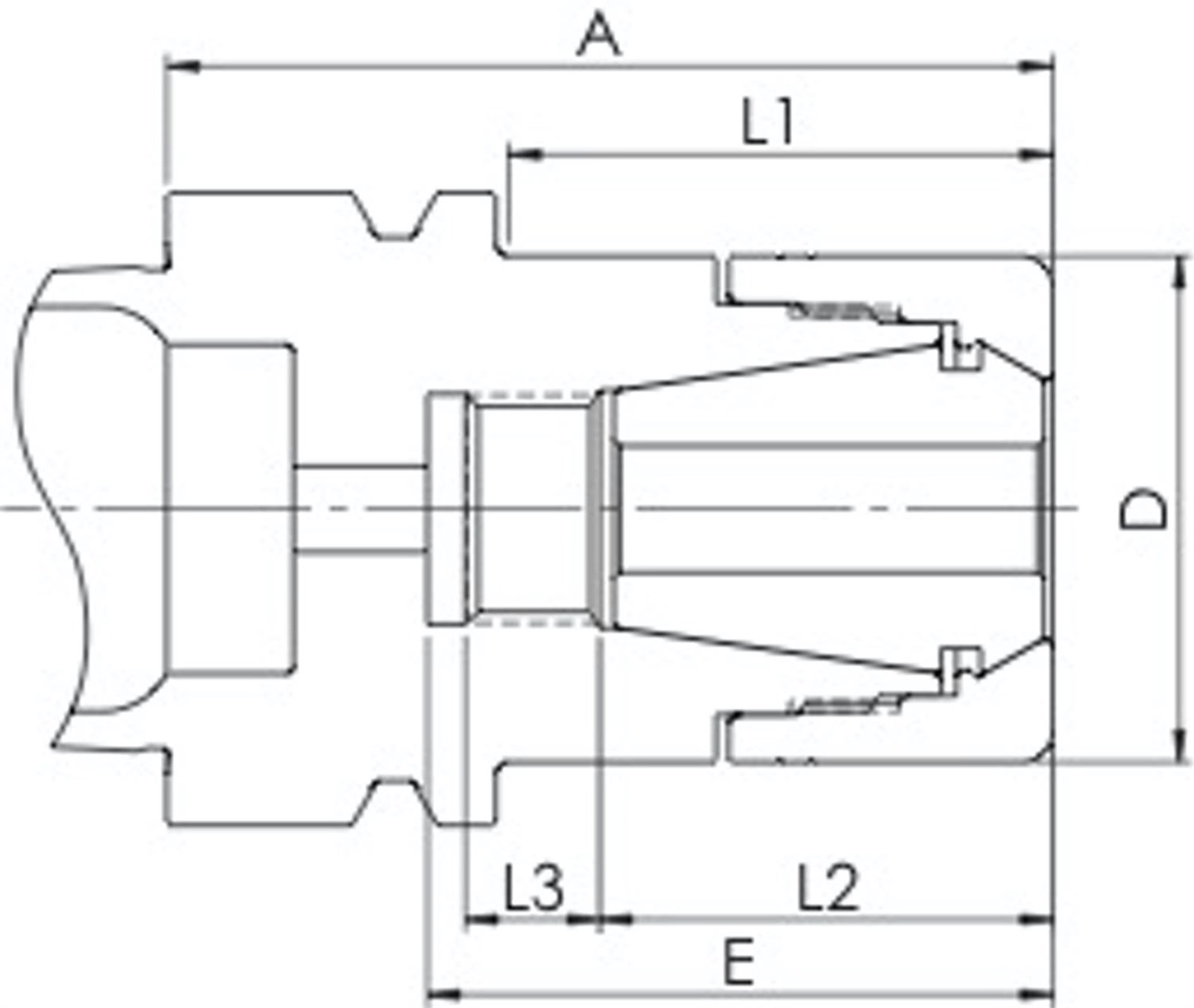
A70 mm
D = Wrench Ø40 mm
E49 mm
L143 mm
L235 mm
L310 mm
GM11x1
   

Note: May include deviations

Chucks DPC - Dynamic Performance
DPC25-HSS-HSK-E50-A=70

  • 63355300706
  • good damping
  • high holding force
  • high runout accuracy
  • rigid
  • universal

Quantity:

Availability:

Prices plus VAT plus shipping costs

After you have logged in, the shopping cart function appears here.
Multifunctional precision chuck, especially for finishing and HDC milling Cylindrical design... more
  • Multifunctional precision chuck, especially for finishing and HDC milling
  • Cylindrical design for less interference contours

Chuck body and clamping nut separately balanced G2,5 at 25.000 1/min or U ≤ 1 gmm

HSS clamping nut with 0,4 mm clamping bridging. Concentricity of ≤ 10 μm with GERC-B collets. Not suitable for sealed collets.

Interface: HSK-E
Size: 50
Length: < 100 mm
Type: ER
clamping range: ER25 - 1-16 mm

TECHNICAL DATA

DPC25-HSS-HSK-E50-A=70
A70 mm
D = Wrench Ø40 mm
E49 mm
L143 mm
L235 mm
L310 mm
GM11x1

TECHNICAL DATA

DPC25-HSS-HSK-E50-A=70
A70 mm
D = Wrench Ø40 mm
E49 mm
L143 mm
L235 mm
L310 mm
GM11x1