Spannfutter Dynamic Performance
DPC40-BT50-A=165 (AD)

DPC40-BT50-A=165 (AD)
DPC40-BT50-A=165 (AD)
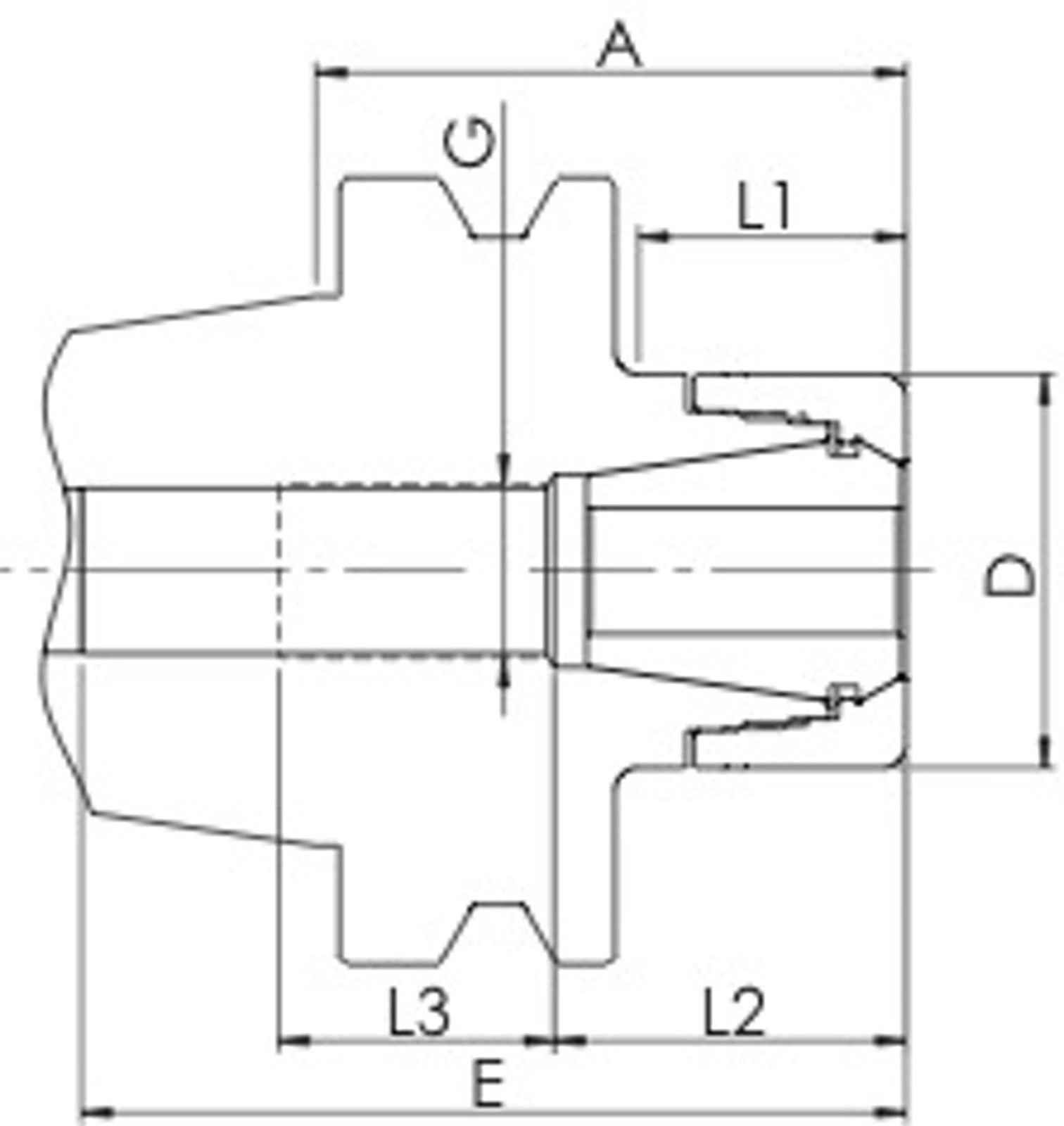
A165 mm
D = Schlüssel Ø63 mm
E90 mm
L1123 mm
L256 mm
L330 mm
GM28x1,5
   

Hinweis: Kann Abweichungen beinhalten

Spannfutter Dynamic Performance
DPC40-BT50-A=165 (AD)

  • 62467301655
  • gute Dämpfung
  • hohe Haltekraft
  • hoher Rundlauf
  • stabil
  • universell

Anzahl:

Verfügbarkeit:

zzgl. MwSt. zzgl. Versandkosten

Nach erfolgter Anmeldung erscheint hier die Funktion Warenkorb.
Multifunktionales Präzisions-Spannfutter, insbesondere zum Schlichten und HDC Fräsen... mehr
  • Multifunktionales Präzisions-Spannfutter, insbesondere zum Schlichten und HDC Fräsen
  • Zylindrische Ausführung für weniger Störkonturen

Futterkörper und Spannmutter separat gewuchtet G2,5 bei 25.000 1/min oder U ≤ 1 gmm

DPC Hochgenauigkeits-Spannmutter ohne Spann-überbrückung. Rundlauf ≤ 3 µm mit Spannzangen GERC-HP.

Schnittstelle : BT
Größe: 50
Länge: > 160 mm
Typ: ER
Spannbereich: ER40 - 3-26 mm

TECHNISCHE DATEN

DPC40-BT50-A=165 (AD)
A165 mm
D = Schlüssel Ø63 mm
E90 mm
L1123 mm
L256 mm
L330 mm
GM28x1,5

TECHNISCHE DATEN

DPC40-BT50-A=165 (AD)
A165 mm
D = Schlüssel Ø63 mm
E90 mm
L1123 mm
L256 mm
L330 mm
GM28x1,5